Indicators

digital Indicator



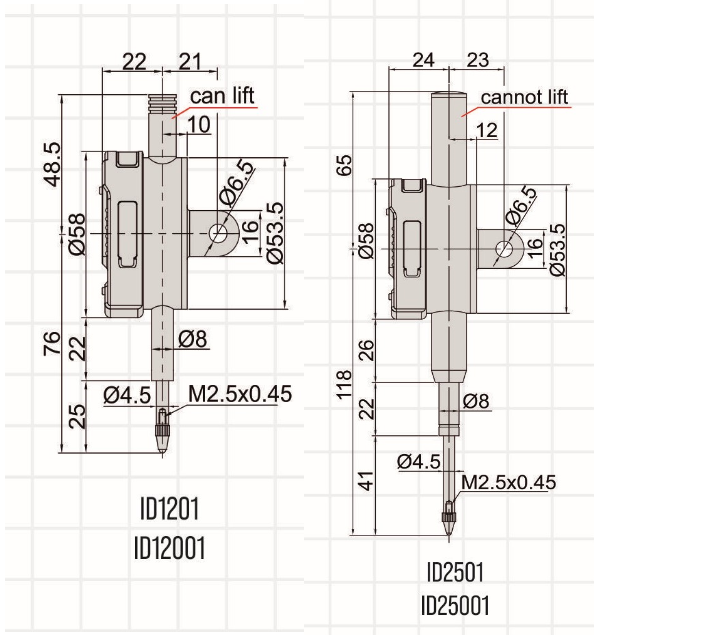
Code_No Measuring
Range
Accuracy Least Count
ID1201 0-12.7 ± 0.03 0.01
ID12001 0-12.7 ± 0.003 0.001
ID2501 0-25.4 ± 0.03 0.01
ID25001 0-25.4 ± 0.007 0.001
All Values in mm
Inspection Report with Declartion of conforming
MM/Inch Conversion
Suited Plastic Case
Battery 3V CR1632 Lithium ION
low power consumption with long battery life
Data output convenient for relative and absolute measurement conversion
LCD-20mm
Accurate reading when turned on